BH100185 Series

Home  »  Products  »  Slip Rings  »  BH Series  » BH100185 Series
BH100185 Series
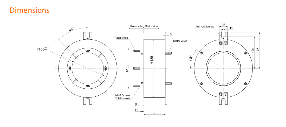
BH100185 series provides a 100mm through-bore for routing and a compact 185mm outside diameter,features long life, fiber brush contact technology for ultimate performance in manychallenging applications.It can transmit signal(2A), 10A, multiple 10A current when 360° degree free rotating.
BH100185 Series
Overview
Standard drawings
Related Products

BH100185 Series

BH100185 Series

BH100185 Series

BH100185 Series

BH100185 Series


BH100185 Series

BH0522 Series

BH0522 series slip rings(sleeping rings) is through bore slip ring with bore size 5mm, OD 22mm, support 2~15 rings,s...

BH1256 Series

BH1256 series provides a 12.7mm through-bore for routing and a compact 56mm outside diameter,features long life, fiber...

BH2586 Series

BH2586 series provides a 25.4mm through-bore for routing, and a compact 86mm outside diameter,features long life, fibe...

QUESTIONS?

Our experts are here for you!