BFORJ200 series

Home  »  Products  »  RF & Optic Rotary Joints  »  BFORJ Series  » BFORJ200 series
BFORJ200 series
BFORJ200 fiber optic slip ring support 2 channel fiber optic ( SM / MM ) . It can perfecttransmit data on 360 " rotating . It is also especially suitaboccasion where it needstransmit large volume data / signal from permanent position to rotation position undermited , continuous or discontinuous rotating.
BFORJ200 series
Overview
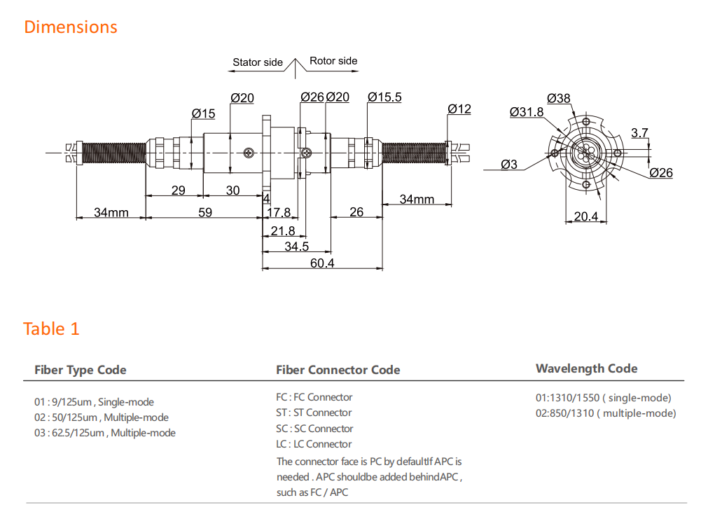
Standard drawings
Related Products

image.png

BFORJ200 series


BFORJ200 series

BFORJ100C Series

BFORJ100C fiber optic slip ring support 1 channel fiber optic ( SM / MM ).It is also especially suitaboccasio...

BFORJ100 SERIES

BFORJ100 fiber optic slip ring support 1 channel fiber optic ( SM / MM ) . It can perfecttransmit data on 360 ...

BFORJ100D SERIES

BFORJ100D fiber optic slip ring support 1 channel fiber optic ( SM / MM ) . It can perfecttransmit data on 36...

QUESTIONS?

Our experts are here for you!